help.pozi.tech
  • Visit SmarTruck website
  1. Home
  2. SmarTruck
  3. Technical
  4. Wiring Diagrams
  5. SmarTruck with SafeTruck
  6. SmarTruck with SafeTruck
Searching...

Contents

  1. SmarTruck with SafeTruck Wiring Diagram

SmarTruck with SafeTruck

Contents
  1. SmarTruck with SafeTruck Wiring Diagram

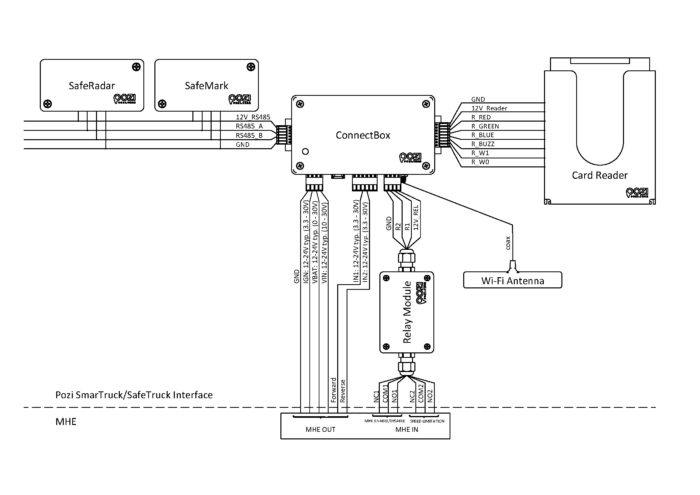
SmarTruck with SafeTruck Wiring Diagram

© Copyright PoziTech Inc.