1. Home
  2. SmarTruck
  3. Technical
  4. Wiring Diagrams
  5. SmarTruck with SafeTruck + DC-DC Module
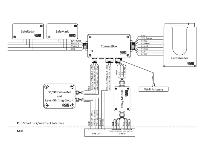
  6. SmarTruck and SafeTruck with DC-DC Converter and Level-Shifting Circuit