help.pozi.tech
  • Visit SmarTruck website
  1. Home
  2. SmarTruck
  3. Technical
  4. Wiring Diagrams
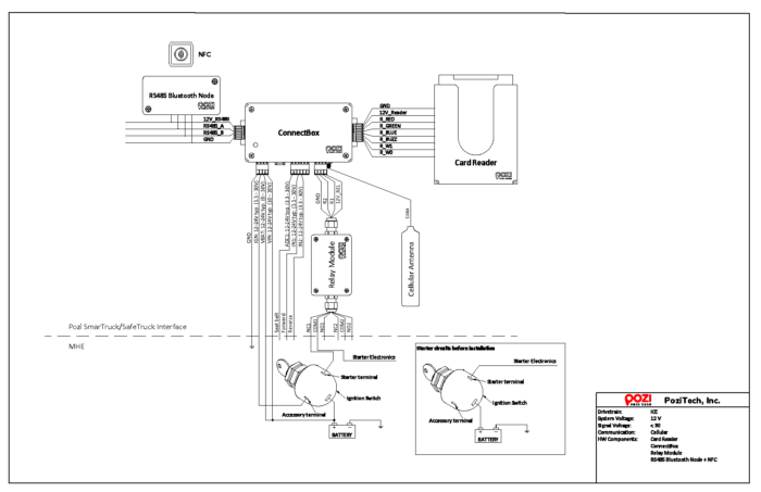
  5. SmarTruck with Operator Authentication and Safety Inspection
  6. SmarTruck with Operator Authentication and Safety Inspection
Searching...

Contents

  1. SmarTruck with Operator Authentication and Safety Inspection Wiring

SmarTruck with Operator Authentication and Safety Inspection

Contents
  1. SmarTruck with Operator Authentication and Safety Inspection Wiring

SmarTruck with Operator Authentication and Safety Inspection Wiring

© Copyright PoziTech Inc.